Introduction
Twin Rotor Aerodynamic System (TRAS), is a laboratory model that is designed and used for control system experiments. Many research laboratories use TRAS model for control experiments. The main usage is for testing the effectiveness and performance of controllers, that are designed for helicopters and unmanned aerial systems. Figure below shows the sketch of TRAS. In this post we are going to show you nonlinear simulink model of TRAS.
We already have designed controllers and disturbance observers for this model of TRAS. You can watch video and make your own controller.

TRAS consists of two motors called the main and tail rotors. These rotors are mounted on a beam. The beam is pivoted on a base and can move freely in both horizontal and vertical directions. Due to this reason TRAS is also called a two degrees of freedom (DOF) system. For balancing the beam in steady state, a counterbalance arm with a weight at its end is connected to the pivot of the system.
There are four process variables in this system. These are horizontal and vertical positions and corresponding angular velocities. Horizontal and vertical positions are called yaw and pitch angles respectively and are measured by position sensors that are fitted at the pivot.
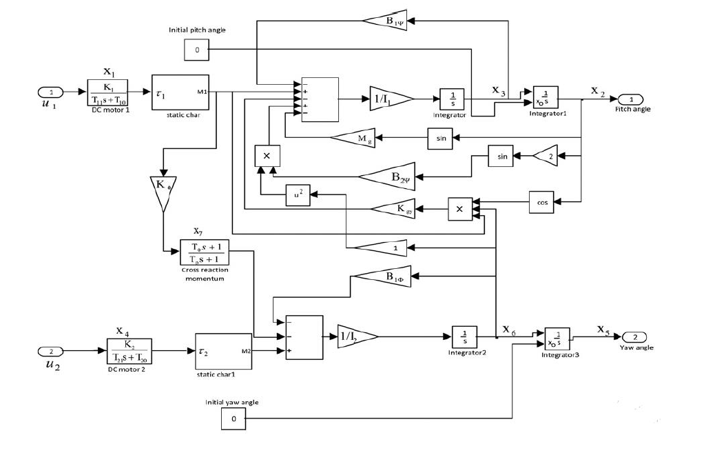
Nonlinear Simulink model of TRAS
The nonlinear simulink model of TRAS is given below. It is designed in MATLAB R2016a.

Parameters of TRAS
K1=1.1;
T11=1.1;
T10=1;
a1=0.0135;
b1=0.0924;
B1psi=0.006;
I1=0.068;
Mg=0.32;
Kc=-0.2;
T0=3.5;
B2psi=0.001;
Kgy=0.05;
B1phi=0.1;
B2phi=0.01;
I2=0.02;
a2=0.02;
b2=0.09;
K2=0.8;
T21=1;
T20=1;
Tp=2;
Download Here
Non Linear Simulink Model of TRASLatest Articles
following are our latest articles. have a look
- Autotransformers in EHV Power Systems: Theory, Maths & Practice
- Auxiliary Transformer Sizing (Substation Primary Design Course)
- The Rise of SF6-Free Switchgear: Alternatives, Advantages, and the Road Ahead
- Safety Assessment at Saudi Aramco Part 3
- Classification of Lightning Protection Systems
Categories
Below are our post categories.
- Control System (4)
- Research Work (4)
- Courses (7)
- Extra High Voltage EHV Substation Design (20)
- Fellowships (2)
- Information for Engineers (40)
- BSP Projects (17)
- HVDC Projects (1)
- OHTL Projects (7)
- SEC Projects (20)
- Al BABTAIN (1)
- Al Gihaz (3)
- AL-OJAIMI (1)
- Alsharif Group (1)
- SSEM (2)
- TDP (1)
- Synchronous Condensers (2)
- Interview Preparation (28)
- FPSC (1)
- Jobs (14)
- Electrical Jobs (7)
- Jobs in KSA (11)
- MATLAB and Simulink (1)
- MCQs (15)
- Electrical MCQs (13)
- Basic Electrical (7)
- Control System MCQs (3)
- Microwaves MCQs (1)
- Electronics MCQs (9)
- Safety MCQs (2)
- Electrical MCQs (13)
- Microsoft Excel (2)
- Past Papers (10)
- electrical (8)
- NTS Past Papers (4)
- Saudi ARAMCO (3)
- Scholarships (3)
- Scholarships in Pakistan (1)
- Transmission lines design (7)
- Uncategorized (24)
- Web Development (1)